Product Summary
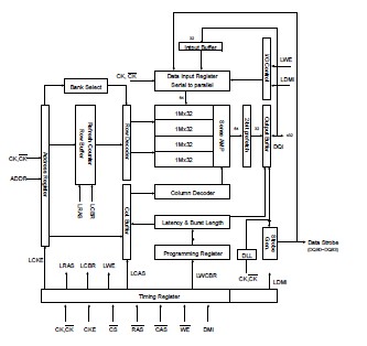
The K4D26323QG-GC2A is a hyper synchronous data rate Dynamic RAM. It is organized as 4 x1,048,576 words by 32 bits, fabricated with SAMSUNG’s high performance CMOS technology. The K4D26323QG-GC2A features with Data Strobe allow extremely high performance up to 3.6GB/s/chip. I/O transactions are possible on both edges of the clock cycle. Range of operating frequencies, programmable burst length and programmable latencies allow the K4D26323QG-GC2A to be useful for a variety of high performance memory system applications.
Parametrics
K4D26323QG-GC2A absolute maximum ratings: (1)Voltage on any pin relative to Vss VIN, VOUT: -0.5 to 3.6 V; (2)Voltage on VDD supply relative to Vss VDD: -1.0 to 3.6 V; (3)Voltage on VDD supply relative to Vss VDDQ: -0.5 to 3.6 V; (4)Storage temperature TSTG: -55 to +150 ℃; (5)Power dissipation PD: 3.3 W; (6)Short circuit current IOS: 50 mA.
Features
K4D26323QG-GC2A features: (1)1.8V ±0.1V power supply for device operation; (2)1.8V ±0.1V power supply for I/O interface; (3)SSTL_18 compatible inputs/outputs; (4)4 banks operation; (5)MRS cycle with address key programs; (6)All inputs except data & DM are sampled at the positive going edge of the system clock; (7)Differential clock input; (8)Data I/O transactions on both edges of Data strobe; (9)DLL aligns DQ and DQS transitions with Clock transition; (10)Edge aligned data & data strobe output; (11)Center aligned data & data strobe input; (12)DM for write masking only; (13)Auto & Self refresh; (14)32ms refresh period (4K cycle); (15)144-Ball FBGA; (16)Maximum clock frequency up to 500MHz; (17)Maximum data rate up to 1.0Gbps/pin.
Diagrams

![]() |
![]() K4D261638E |
![]() Other |
![]() |
![]() Data Sheet |
![]() Negotiable |
|
||||
![]() |
![]() K4D261638F |
![]() Other |
![]() |
![]() Data Sheet |
![]() Negotiable |
|
||||
![]() |
![]() K4D263238A-GC |
![]() Other |
![]() |
![]() Data Sheet |
![]() Negotiable |
|
||||
![]() |
![]() K4D263238A-GC33 |
![]() Other |
![]() |
![]() Data Sheet |
![]() Negotiable |
|
||||
![]() |
![]() K4D263238E-GC |
![]() Other |
![]() |
![]() Data Sheet |
![]() Negotiable |
|
||||
![]() |
![]() K4D263238E-GC33 |
![]() Other |
![]() |
![]() Data Sheet |
![]() Negotiable |
|
||||
(China (Mainland))








