Product Summary
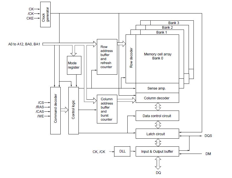
The EDD5116AGTA-5B-E is a 512M bits DDR SDRAM.
Parametrics
EDD5116AGTA-5B-E absolute maximum ratings: (1)Voltage on any pin relative to VSS, VT: -1.0 to +3.6 V; (2)Supply voltage relative to VSS, VDD: -1.0 to +3.6 V; (3)Short circuit output current, IOS: 50 mA; (4)Power dissipation, PD: 1.0 W; (5)Operating ambient temperature, TA: 0 to +70℃; (6)Storage temperature, Tstg: -55 to +125℃.
Features
EDD5116AGTA-5B-E features: (1)Double-data-rate architecture; two data transfers per clock cycle; (2)The high-speed data transfer is realized by the 2 bits prefetch pipelined architecture; (3)Bi-directional data strobe (DQS) is transmitted /received with data for capturing data at the receiver; (4)Data inputs, outputs, and DM are synchronized with DQS; (5)DQS is edge-aligned with data for READs; centeraligned with data for WRITEs; (6)Differential clock inputs (CK and /CK); (7)DLL aligns DQ and DQS transitions with CK transitions; (8)Commands entered on each positive CK edge; data and data mask referenced to both edges of DQS; (9)Data mask (DM) for write data.
Diagrams

![]() |
![]() EDD5104ABTA |
![]() Other |
![]() |
![]() Data Sheet |
![]() Negotiable |
|
||||
![]() |
![]() EDD5104ADTA |
![]() Other |
![]() |
![]() Data Sheet |
![]() Negotiable |
|
||||
![]() |
![]() EDD5104ADTA-E |
![]() Other |
![]() |
![]() Data Sheet |
![]() Negotiable |
|
||||
![]() |
![]() EDD5108ADTA-5C |
![]() Other |
![]() |
![]() Data Sheet |
![]() Negotiable |
|
||||
![]() |
![]() EDD5108ADTA-6BL-E |
![]() Other |
![]() |
![]() Data Sheet |
![]() Negotiable |
|
||||
![]() |
![]() EDD5108ADTA-E |
![]() Other |
![]() |
![]() Data Sheet |
![]() Negotiable |
|
||||
(China (Mainland))








