Product Summary
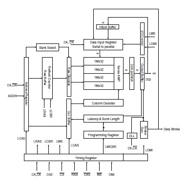
The K4D263238D-QC50 is a Double Data Rate Synchronous DRAM with Bi-directional Data Strobe and DLL. It is organized as 4 x 1,048,576 words by 32 bits, fabricated with SAMSUNG’s high performance CMOS technology. The K4D263238D-QC50 features with Data Strobe allow extremely high performance up to 2.0GB/s/chip. I/O transactions are possible on both edges of the clock cycle. Range of operating frequencies, programmable burst length and programmable latencies allow the K4D263238D-QC50 to be useful for a variety of high performance memory system applications.
Parametrics
K4D263238D-QC50 absolute maximum ratings: (1)Voltage on any pin relative to Vss VIN, VOUT: -0.5 to 3.6 V; (2)Voltage on VDD supply relative to Vss VDD: -1.0 to 3.6 V; (3)Voltage on VDD supply relative to Vss VDDQ: -0.5 to 3.6 V; (4)Storage temperature TSTG: -55 to +150 ℃; (5)Power dissipation PD: 1.8 W; (6)Short circuit current IOS: 50 mA.
Features
K4D263238D-QC50 features: (1)2.5V±5% power supply; (2)SSTL_2 compatible inputs/outputs; (3)4 banks operation; (4)Full page burst length for sequential burst type only; (5)Start address of the full page burst should be even; (6)All inputs except data & DM are sampled at the positive going edge of the system clock; (7)Differential clock input; (8)No Write Interrupted by Read function; (9)Data I/O transactions on both edges of Data strobe; (10)DLL aligns DQ and DQS transitions with Clock transition; (11)Edge aligned data & data strobe output; (12)Center aligned data & data strobe input.
Diagrams

![]() |
![]() K4D261638E |
![]() Other |
![]() |
![]() Data Sheet |
![]() Negotiable |
|
||||
![]() |
![]() K4D261638F |
![]() Other |
![]() |
![]() Data Sheet |
![]() Negotiable |
|
||||
![]() |
![]() K4D263238A-GC |
![]() Other |
![]() |
![]() Data Sheet |
![]() Negotiable |
|
||||
![]() |
![]() K4D263238A-GC33 |
![]() Other |
![]() |
![]() Data Sheet |
![]() Negotiable |
|
||||
![]() |
![]() K4D263238E-GC |
![]() Other |
![]() |
![]() Data Sheet |
![]() Negotiable |
|
||||
![]() |
![]() K4D263238E-GC33 |
![]() Other |
![]() |
![]() Data Sheet |
![]() Negotiable |
|
||||
(China (Mainland))








