Product Summary
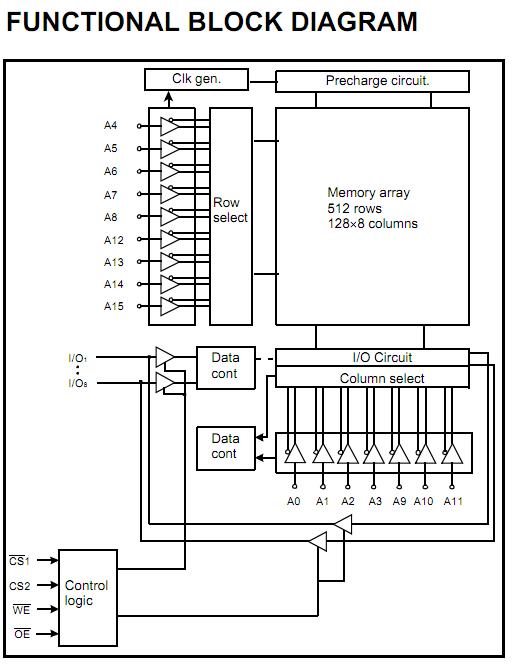
The K6T0908U2B-YF85 is a 64K×8 bit Low Power and Low Voltage CMOS Static RAM. The K6T0908U2B-YF85 is fabricated by SAMSUNG’s advanced CMOS process technology. The device supports various operating temperature ranges and has various package types for user flexibility of system design. The K6T0908U2B-YF85 also supports low data retention voltage for battery back-up operation with low data retention current.
Parametrics
K6T0908U2B-YF85 absolute maximum ratings: (1)Voltage on any pin relative to Vss, VIN,VOUT: -0.5 to VCC+0.5 V; (2)Voltage on Vcc supply relative to Vss, VCC: -0.3 to 4.6 V; (3)Power Dissipation, PD: 1 W; (4)Storage temperature, TSTG: -65 to 150℃; (5)Operating Temperature, TA: 0 to 70℃; (6)Soldering temperature and time, TSOLDER: 260℃, 10sec (Lead Only).
Features
K6T0908U2B-YF85 features: (1)Process Technology: TFT; (2)Organization: 64K×8; (3)Power Supply Voltage: 2.7~3.3V; (4)Low Data Retention Voltage: 2V(Min); (5)Three state output and TTL Compatible; (6)Package Type: 32-TSOP1-0820F, 32-TSOP1-0813.4F.
Diagrams

![]() |
![]() K6T0808C1D |
![]() Other |
![]() |
![]() Data Sheet |
![]() Negotiable |
|
||||
(China (Mainland))








