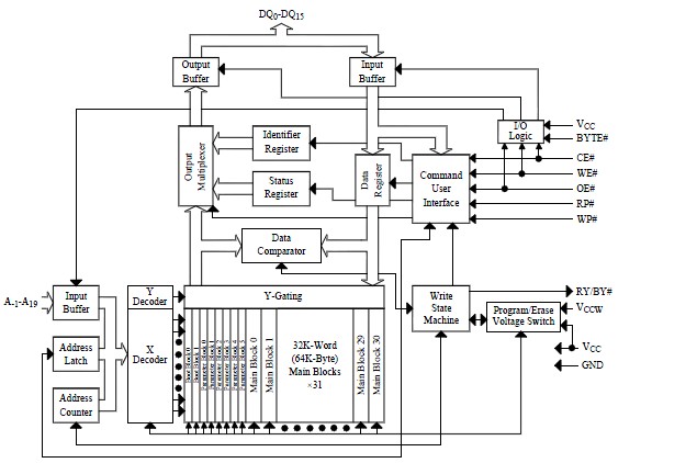
Product Summary
The LH28F160BJE-BTL90 is a high-performance 16M-bit boot block flash memory organized as 1M-word of 16 bits or 2M-byte of 8 bits. The 1M-word/2M-byte of data is arranged in two 4K-word/8K-byte boot blocks, six 4Kword/ 8K-byte parameter blocks and thirty-one 32Kword/ 64K-byte main blocks which are individually erasable, lockable and unlockable in-system.The LH28F160BJE-BTL90 is a high-density, low-cost, nonvolatile, read/write storage solution for a wide range of applications. Enhanced suspend capabilities of the LH28F160BJE-BTL90 provide for an ideal solution for code + data storage applications.
Parametrics
LH28F160BJE-BTL90 absolute maximum ratings: (1)Operating Temperature During Read, Block Erase, Full Chip Erase, Word/Byte Write and Lock-Bit Configuration: 0°C to +70°C; (2)Storage Temperature During under Bias: -10°C to +80°C; (3)Storage Temperature During non Bias: -65°C to +125°C; (4)Voltage On Any Pin (except VCC and VCCW): -0.5V to VCC+0.5V; (5)VCC Supply Voltage: -0.2V to +4.6V; (6)VCCW Supply Voltage: -0.2V to +13.0V; (7)Output Short Circuit Current:100mA.
Features
LH28F160BJE-BTL90 features: (1)Low Voltage Operation: VCC=VCCW=2.7V-3.6V Single Voltage; (2)User-Configurable ×8 or ×16 Operation; (3)High-Performance Read Access Time: 90ns(VCC=2.7V-3.6V); (4)Operating Temperature: 0°C to +70°C; (5)SRAM-Compatible Write Interface; (6)Industry-Standard Packaging: 48-Lead TSOP; (7)ETOXTM Nonvolatile Flash Technology; (8)CMOS Process (P-type silicon substrate); (9)Not designed or rated as radiation hardened.
Diagrams

| Image | Part No | Mfg | Description | ![]() |
Pricing (USD) |
Quantity | ||||
|---|---|---|---|---|---|---|---|---|---|---|
![]() |
![]() LH28F160BJE-BTL90 |
![]() |
![]() IC FLASH 16MBIT 90NS 48TSOP |
![]() Data Sheet |
![]() Negotiable |
|
||||
| Image | Part No | Mfg | Description | ![]() |
Pricing (USD) |
Quantity | ||||
![]() |
![]() LH28F004SU-LC |
![]() Other |
![]() |
![]() Data Sheet |
![]() Negotiable |
|
||||
![]() |
![]() LH28F004SU-NC |
![]() Other |
![]() |
![]() Data Sheet |
![]() Negotiable |
|
||||
![]() |
![]() LH28F004SU-Z1 |
![]() Other |
![]() |
![]() Data Sheet |
![]() Negotiable |
|
||||
![]() |
![]() LH28F004SU-Z9 |
![]() Other |
![]() |
![]() Data Sheet |
![]() Negotiable |
|
||||
![]() |
![]() LH28F008SA |
![]() Other |
![]() |
![]() Data Sheet |
![]() Negotiable |
|
||||
![]() |
![]() LH28F008SAT-85 |
![]() |
![]() IC FLASH 8MBIT 85NS 40TSOP |
![]() Data Sheet |
![]() Negotiable |
|
||||
(China (Mainland))









