Product Summary
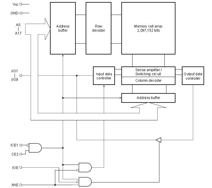
The UPD442000LGU-C15X-9JH-E3 is an high speed, low power, 2,097,152 bits (262,144 words by 8 bits) CMOS static RAM. The UPD442000LGU-C15X-9JH-E3 has two chip enable pins (/CE1, CE2) to extend the capacity. And battery backup is available. The UPD442000LGU-C15X-9JH-E3 is packed in 32-pin PLASTIC TSOP (I) (Normal bent) and 32-pin PLASTIC TSOP (I) (Reverse bent).
Parametrics
UPD442000LGU-C15X-9JH-E3 absolute maximum ratings: (1)Supply voltage VCC –0.5 to +4.0V; (2)Input / Output voltage VT: –0.5 to VCC+0.4 (4.0 V MAX.) V; (3)Operating ambient temperature TA: –25 to +85 ℃; (4)Storage temperature: Tstg –55 to +125 ℃.
Features
UPD442000LGU-C15X-9JH-E3 features: (1)262,144 words by 8 bits organization; (2)Fast access time : 55, 70, 85, 100, 120 ns (MAX.); (3)Low VCC data retention : 1.0 V (MIN.); (4)Operating ambient temperature : TA = 5 to +85℃; (5)Output Enable input for easy application; (6)Two Chip Enable inputs : /CE1, CE2.
Diagrams

![]() |
![]() UPD442000AGU-BB70X-9JH |
![]() Other |
![]() |
![]() Data Sheet |
![]() Negotiable |
|
||||
![]() |
![]() UPD442000AGU-BB70X-9KH |
![]() Other |
![]() |
![]() Data Sheet |
![]() Negotiable |
|
||||
![]() |
![]() UPD442000AGU-BB85X-9JH |
![]() Other |
![]() |
![]() Data Sheet |
![]() Negotiable |
|
||||
![]() |
![]() UPD442000AGU-BB85X-9KH |
![]() Other |
![]() |
![]() Data Sheet |
![]() Negotiable |
|
||||
![]() |
![]() UPD442000AGU-BC10X-9JH |
![]() Other |
![]() |
![]() Data Sheet |
![]() Negotiable |
|
||||
![]() |
![]() UPD442000AGU-BC10X-9KH |
![]() Other |
![]() |
![]() Data Sheet |
![]() Negotiable |
|
||||
(China (Mainland))








