Product Summary
The HYB18L512320BF-7.5 is a high-speed CMOS, dynamic random-access memory containing 536,870,912 bits. It is internally configured as a quad-bank DRAM. The HYB18L512320BF-7.5 achieves high speed data transfer rates by employing a chip architecture that prefetches multiple bits and then synchronizes the output data to the system clock. Read and write accesses are burst-oriented; accesses start at a selected location and continue for a programmed number of locations (1, 2, 4, 8 or full page) in a programmed sequence. The HYB18L512320BF-7.5 operation is fully synchronous: all inputs are registered at the positive edge of CLK.
Parametrics
HYB18L512320BF-7.5 absolute maximum ratings: (1)Power Supply Voltage VDD: -0.3 to 2.7 V; (2)Power Supply Voltage for Output Buffer VDDQ: -0.3 to 2.7 V; (3)Input Voltage VIN: -0.3 to VDDQ + 0.3 V; (4)Output Voltage VOUT: -0.3 to VDDQ + 0.3 V; (5)Operation Case Temperature Commercial TC: 0 to +70 ℃, Extended: -25 to +85 ℃; (6)Storage Temperature TSTG: -55 to +150 ℃; (7)Power Dissipation PD: 1.0 W; (8)Short Circuit Output Current IOUT: 50 mA.
Features
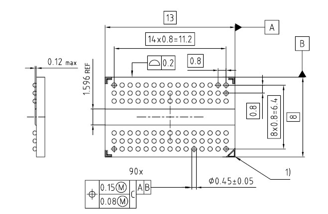
HYB18L512320BF-7.5 features: (1)4 banks × 4 Mbit ?32 organization (dual-die); (2)Fully synchronous to positive clock edge; (3)Four internal banks for concurrent operation; (4)Programmable CAS latency: 2, 3; (5)Programmable burst length: 1, 2, 4, 8 or full page; (6)Programmable wrap sequence: sequential or interleaved; (7)Programmable drive strength: full, 1/2, 1/4 and 1/8; (8)Auto refresh and self refresh modes; (9)Refresh cycles: 8192 refresh cycles / 64 ms; (10)Auto precharge; (11)Commercial (-0℃ to +70℃) and Extended (-25℃ to +85℃) operating temperature range; (12)Package: Dual-Die 90-ball PG-TFBGA package (13.0 × 8.0 × 1.2 mm); (13)RoHS Compliant Products.
Diagrams

| Image | Part No | Mfg | Description | ![]() |
Pricing (USD) |
Quantity | ||||
|---|---|---|---|---|---|---|---|---|---|---|
![]() |
![]() HYB18L512320BF-7.5 |
![]() Other |
![]() |
![]() Data Sheet |
![]() Negotiable |
|
||||
| Image | Part No | Mfg | Description | ![]() |
Pricing (USD) |
Quantity | ||||
![]() |
![]() HYB15T1G160C2F-2.5 |
![]() Other |
![]() |
![]() Data Sheet |
![]() Negotiable |
|
||||
![]() |
![]() HYB15T1G160C2F-25F |
![]() Other |
![]() |
![]() Data Sheet |
![]() Negotiable |
|
||||
![]() |
![]() HYB15T1G160C2F-3S |
![]() Other |
![]() |
![]() Data Sheet |
![]() Negotiable |
|
||||
![]() |
![]() HYB15T1G400C2F-2.5 |
![]() Other |
![]() |
![]() Data Sheet |
![]() Negotiable |
|
||||
![]() |
![]() HYB15T1G400C2F-25F |
![]() Other |
![]() |
![]() Data Sheet |
![]() Negotiable |
|
||||
![]() |
![]() HYB15T1G400C2F-3.7 |
![]() Other |
![]() |
![]() Data Sheet |
![]() Negotiable |
|
||||
(China (Mainland))









