Product Summary
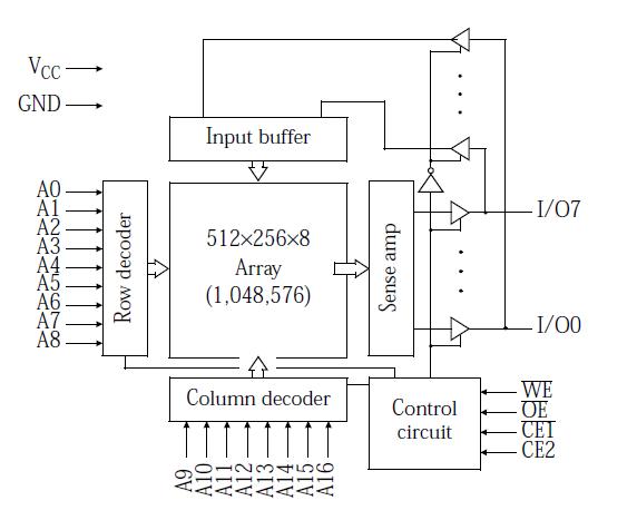
The AS7C1024-15TC is a 128KX8 CMOS SRAM (Evolutionary Pinout). The AS7C1024-15TC is a high performance CMOS 1,048,576-bit Static Random Access Memory (SRAM) device organized as 131,072 words x 8 bits. It is designed for memory applications where fast data access, low power, and simple interfacing are desired. Equal address access and cycle times (tAA, tRC, tWC) of 10/12/15/20 ns with output enable access times (tOE) of 5, 6, 7, 8 ns are ideal for high performance applications. Active high and low chip enables (CE1, CE2) permit easy memory expansion with multiple-bank systems. When CE1 is high or CE2 is low the devices enter standby mode. If inputs are still toggling, the device will consume ISB power. If the bus is static, then full standby power is reached (ISB1).
Parametrics
AS7C1024-15TC absolute maximum ratings: (1)Voltage on VCC relative to GND, Vt1: -0.50 to +7.0 V; (2)Voltage on any pin relative to GND, Vt2: -0.50 to VCC +0.50 V; (3)Power dissipation, PD: 1.0 W; (4)Storage temperature (plastic), Tstg: –65 +150℃; (5)Ambient temperature with VCC applied, Tbias: -55 +125℃; (6)DC current into outputs (low): IOUT: -20 mA.
Features
AS7C1024-15TC features: (1)AS7C1024A (5V version); (2)Industrial and commercial temperatures; (3)Organization: 131,072 words x 8 bits; (4)High speed: 10/12/15/20 ns address access time; 5, 6, 7, 8 ns output enable access time; (5)Low power consumption: ACTIVE, 853 mW (AS7C1024A) / max @ 10 ns; (6)Low power consumption: STANDBY, 55 mW (AS7C1024A) / max CMOS; (7)Latest 6T 0.25u CMOS technology; (8)Easy memory expansion with CE1, CE2, OE inputs; (9)TTL/LVTTL-compatible, three-state I/O; (10)32-pin JEDEC standard packages: 300 mil SOJ; 400 mil SOJ; 8 × 20mm TSOP 1; 8 × 13.4mm sTSOP 1; (11)ESD protection ≥ 2000 volts; (12)Latch-up current ≥ 200 mA.
Diagrams

![]() |
![]() AS7C1024 |
![]() Other |
![]() |
![]() Data Sheet |
![]() Negotiable |
|
||||||||||||
![]() |
![]() AS7C1024A-20STC |
![]() Other |
![]() |
![]() Data Sheet |
![]() Negotiable |
|
||||||||||||
![]() |
![]() AS7C1024B-12JCN |
![]() Alliance Memory |
![]() SRAM 1M Fast 128K x 8 5V Asynch |
![]() Data Sheet |
![]()
|
|
||||||||||||
![]() |
![]() AS7C1024B-12JCNTR |
![]() Alliance Memory |
![]() SRAM 1M Fast 128K x 8 5V Asynch |
![]() Data Sheet |
![]()
|
|
||||||||||||
![]() |
![]() AS7C1024B-12JIN |
![]() Alliance Memory |
![]() SRAM 1M Fast 128K x 8 5V Asynch |
![]() Data Sheet |
![]()
|
|
||||||||||||
![]() |
![]() AS7C1024B-12JINTR |
![]() Alliance Memory |
![]() SRAM 1M Fast 128K x 8 5V Asynch |
![]() Data Sheet |
![]()
|
|
||||||||||||
(China (Mainland))









