Product Summary
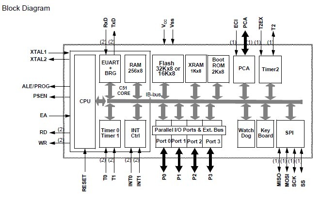
The AT89C51RB2-SLSUM is one member of the AT89C51RB2 series.The AT89C51RB2 is a high-performance Flash version of the 80C51 8-bit microcontrollers.It contains a 16K or 32K Bytes Flash memory block for program and data.The Flash memory can be programmed either in parallel mode or in serial mode with the ISP capability or with software. The programming voltage is internally generated from the standard VCC pin.
Parametrics
Absolute maximum ratings: (1)voltage on Vcc to Vss(standard voltage):-0.5V to + 6.5V;(2)voltage on cc to Vss(low voltage):-0.5V to + 4.5V;(3)voltage on any pin to Vss:-0.5V to Vcc + 0.5V;(4)industrial temperature:-40 to 85℃;(5)storage temperature:-65 to 150℃;(6)power dissipation:1 W.
Features
Features:1)asynchronous port reset; (2)full duplex enhanced UART; (3)dedicated baud rate generator for UART; (4)low EMI (inhibit ALE); (5)hardware watchdog timer (one-time enabled with reset-out); (6)keyboard interrupt interface on port P1; (7)SPI interface (master/slave mode); (8)8-bit clock prescaler; (9)improved X2 mode with independent selection for cpu and each peripheral; (10)ISP (in-system programming) using standard Vcc power supply; (11)boot ROM Contains low level flash programming routines and a default serial loader.In addition, the AT89C51RB2 has a Programmable Counter Array, an XRAM of 1024 Bytes, a Hardware Watchdog Timer, a Keyboard Interface, an SPI Interface, a more versatile serial channel that facilitates multiprocessor communication (EUART) and a speed improvement mechanism (X2 mode).
Diagrams

| Image | Part No | Mfg | Description | ![]() |
Pricing (USD) |
Quantity | ||||||||||||
|---|---|---|---|---|---|---|---|---|---|---|---|---|---|---|---|---|---|---|
![]() |
![]() AT89C51RB2-SLSUM |
![]() Atmel |
![]() 8-bit Microcontrollers (MCU) C51RB2 16K FLASH 5V COM |
![]() Data Sheet |
![]()
|
|
||||||||||||
| Image | Part No | Mfg | Description | ![]() |
Pricing (USD) |
Quantity | ||||||||||||
![]() |
![]() AT8934 |
![]() TE Connectivity |
![]() General Purpose / Industrial Relays SEALED R RELAY |
![]() Data Sheet |
![]()
|
|
||||||||||||
![]() |
![]() AT8985P |
![]() Other |
![]() |
![]() Data Sheet |
![]() Negotiable |
|
||||||||||||
![]() |
![]() AT8989UP |
![]() Other |
![]() |
![]() Data Sheet |
![]() Negotiable |
|
||||||||||||
![]() |
![]() AT8992-A2-T-1 |
![]() |
![]() IC SWITCH PHY 64-TQFP |
![]() Data Sheet |
![]() Negotiable |
|
||||||||||||
![]() |
![]() AT8992M-A2-T-1 |
![]() |
![]() IC SWITCH PHY 100-MQFP |
![]() Data Sheet |
![]() Negotiable |
|
||||||||||||
![]() |
![]() AT8993-A2-T-1 |
![]() |
![]() IC SWITCH PHY 100-MQFP |
![]() Data Sheet |
![]() Negotiable |
|
||||||||||||
(China (Mainland))










