Product Summary
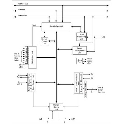
The EN80C188EB20 is an 8-bit/16-bit microcontroller. The EN80C188EB20 is produced using Innovasic Managed IC Lifetime Extension System (MILES.). This cloning technology, which produces replacement ICs beyond simple emulations, ensures complete compatibility with the original device, including any undocumented features. Additionally, the MILES process captures the clone design in such a way that production of the clone can continue even as silicon technology advances. The EN80C188EB20 allowing users to retain existing board designs, software compilers/assemblers, and emulation tools, thereby avoiding expensive redesign efforts.
Parametrics
EN80C188EB20 absolute maximum ratings: (1) Storage Temperature: -40°C to +125°C; (2) Supply Voltage with Respect to vss: -0.3V to +6.0V; (3) Voltage on Pins other than Supply with Respect to vss: -0.3V to +(Vcc + 0.3)V.
Features
EN80C188EB20 features: (1) Low-Power Operating Modes: Idle (freezes CPU clocks; peripherals are kept active): Power-Down (freezes all internal clocks); (2) Low-Power CPU Core (static); (3) Direct Addressing Capability: Memory: 1 Mbyte, I/O: 64 Kbyte; (4) I/O Ports: 2 each, 8-Bit, Multiplexed; (5) Clock Generator; (6) Chip Selects: 10 each, Programmable, Integral Wait-State Generator; (7) Memory Refresh Control Unit ; (8) Interrupt Controller, Programmable; (9) Counter/Timers: 3 each, 16-Bit, Programmable.
Diagrams

| Image | Part No | Mfg | Description | ![]() |
Pricing (USD) |
Quantity | ||||
|---|---|---|---|---|---|---|---|---|---|---|
![]() |
![]() EN80C188EB20 |
![]() |
![]() IC MPU 16BIT 5V 20MHZ EXT 84PLCC |
![]() Data Sheet |
![]() Negotiable |
|
||||
| Image | Part No | Mfg | Description | ![]() |
Pricing (USD) |
Quantity | ||||
![]() |
![]() EN80960SA16512 |
![]() |
![]() IC MPU I960SA 16MHZ 84-PLCC |
![]() Data Sheet |
![]() Negotiable |
|
||||
![]() |
![]() EN80960SB16512 |
![]() |
![]() IC MPU I960SB 16MHZ 84-PLCC |
![]() Data Sheet |
![]() Negotiable |
|
||||
![]() |
![]() EN80C186EA13 |
![]() |
![]() IC MPU 16-BIT 5V 13MHZ 68-PLCC |
![]() Data Sheet |
![]() Negotiable |
|
||||
![]() |
![]() EN80C186EA20 |
![]() |
![]() IC MPU 16-BIT 5V 20MHZ 68-PLCC |
![]() Data Sheet |
![]() Negotiable |
|
||||
![]() |
![]() EN80C186EB13 |
![]() |
![]() IC MPU 16-BIT 5V 13MHZ 84-PLCC |
![]() Data Sheet |
![]() Negotiable |
|
||||
![]() |
![]() EN80C186EB20 |
![]() |
![]() IC MPU 16BIT 5V 20MHZ 84PLCC |
![]() Data Sheet |
![]() Negotiable |
|
||||
(China (Mainland))









