Product Summary
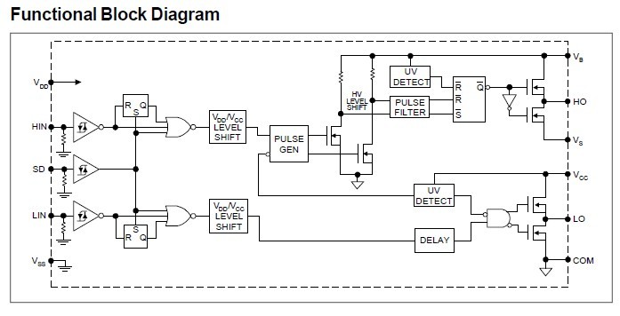
The IRS2110PBF is high voltage, high speed power MOSFET and IGBT drivers with independent high-side and low-side referenced output channels. Proprietary HVIC and latch immune CMOS technologies enable ruggedized monolithic construction. Logic inputs are compatible with standard CMOS or LSTTL output, down to 3.3 V logic. The output drivers feature a high pulse current buffer stage designed for minimum driver cross-conduction. Propagation delays are matched to simplify use in high frequency applications. The floating channel can be used to drive an N-channel power MOSFET or IGBT in the high-side configuration which operates up to 500 V or 600 V.
Parametrics
Absolute maximum ratings:(1)High side floating absolute voltage: -0.3 V to 625 V;(2)High side floating supply offset voltage: VB-25 to VB+0.3 V;(3)High side floating output voltage: VS-0.3 to VB+0.3 V;(4)Low side and logic fixed supply voltage: -0.3 to 25 V;(5)Low side output voltage: -0.3 to VCC+0.3;(6)Logic input voltage (HIN & LIN): VSS-0.3 to VDD+0.3 V;(7)Allowable offset supply voltage transient: 50 V/ns;(8)Junction temperature: 150 ℃;(9)Storage temperature: -50 to 150 ℃;(10)Lead temperature (soldering, 10 seconds): 300 ℃.
Features
Features:(1)Floating channel designed for bootstrap operation; (2)Fully operational to +500V or +600V; (3)Tolerant to negative transient voltage, dV/dt immune; (4)Gate drive supply range from 10V to 20V; (5)Undervoltage lockout for both channels; (6)3.3V logic compatible; (7)Separate logic supply range from 3.3V to 20V; (8)Logic and power ground +/-5V offset; (9)CMOS Schmitt-triggered inputs with pull-down; (10)Cycle by cycle edge-triggered shutdown logic; (11)Matched propagation delay for both channels; (12)Outputs in phase with inputs; (13)RoHS compliant.
Diagrams

| Image | Part No | Mfg | Description | ![]() |
Pricing (USD) |
Quantity | ||||||||||||
|---|---|---|---|---|---|---|---|---|---|---|---|---|---|---|---|---|---|---|
![]() |
![]() IRS2110PBF |
![]() International Rectifier |
![]() Power Driver ICs Hi&Lw Sd Drvr All HiVolt Pins 1 Sd |
![]() Data Sheet |
![]()
|
|
||||||||||||
| Image | Part No | Mfg | Description | ![]() |
Pricing (USD) |
Quantity | ||||||||||||
![]() |
![]() IRS2001(S)PbF |
![]() Other |
![]() |
![]() Data Sheet |
![]() Negotiable |
|
||||||||||||
![]() |
![]() IRS2001MPBF |
![]() International Rectifier |
![]() Power Driver ICs |
![]() Data Sheet |
![]()
|
|
||||||||||||
![]() |
![]() IRS2001MTRPBF |
![]() International Rectifier |
![]() Power Driver ICs Hi&Lw Sd Drvr |
![]() Data Sheet |
![]()
|
|
||||||||||||
![]() |
![]() IRS2001PBF |
![]() International Rectifier |
![]() Power Driver ICs Hi&Lw Sd Drvr |
![]() Data Sheet |
![]()
|
|
||||||||||||
![]() |
![]() IRS2001SPBF |
![]() International Rectifier |
![]() Power Driver ICs |
![]() Data Sheet |
![]()
|
|
||||||||||||
![]() |
![]() IRS2001STRPBF |
![]() International Rectifier |
![]() Power Driver ICs Hi&Lw Sd Drvr |
![]() Data Sheet |
![]()
|
|
||||||||||||
(China (Mainland))










