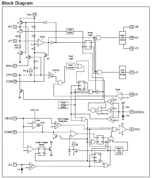
Product Summary
The IR2166SPBF is a fully integrated, fully protected 600V ballast control IC designed to drive all types of fluorescent lamps. The IR2166SPBF features include programmable preheat and run frequencies, programmable preheat time, programmable dead-time, programmable over-current protection, and programmable endof-life protection. It is available in both 16-lead PDIP and 16-lead (narrow body) SOIC packages.
Parametrics
Absolute maximum ratings: (1)VB, High side floating supply voltage: -0.3 to 625 v; (2)VS, High side floating supply offset voltage: VB - 25 to VB + 0.3 v; (3)VHO, High side floating output voltage: VS - 0.3 to VB + 0.3 v; (4)VLO, Low side output voltage: -0.3 to VCC + 0.3 v; (5)VPFC, PFC gate driver output voltage: -0.3 to VCC + 0.3; (6)IOMAX, Maximum allowable output current (HO, LO, PFC) due to external power transistor miller effect: -500 to 500 mA; (7)VBUS, VBUS pin voltage: -0.3 to VCC + 0.3 v; (8)VCT, CT pin voltage: -0.3 to VCC + 0.3 v; (9)ICPH, CPH pin current: -5 to 5 mA; (10)IRPH, RPH pin current: -5 to 5 mA; (11)VRPH, RPH pin voltage: -0.3 to VCC + 0.3 V ; (12)IRT, RT pin current: -5 to 5 mA; (13)VRT, RT pin voltage: -0.3 to VCC + 0.3 v; (14)VCS, Current sense pin voltage: -0.3 to 5.5 v; (15)ICS, Current sense pin current: -5 to 5 mA; (16)ISD/EOL, Shutdown pin current: -5 to 5 mA; (17)ICC, Supply current: -20 to 20 mA; (18)IZX, PFC inductor current, zero crossing detection input current: -5 to 5 mA; (19)ICOMP, PFC error compensation current: -5 to 5mA; (20)dV/dt, Allowable offset voltage slew rate: -50 to 50 V/ns; (21)PD, Package power dissipation @ TA ≤ +25℃, PD = (TJMAX-TA)/RthJA: 1.80w (16-Pin PDIP); 1.40 w(16-Pin SOIC); (22)RthJA, Thermal resistance, junction to ambient: 70℃ /W (16-Pin PDIP); 86 ℃ /W (16-Pin SOIC); (23)TJ, Junction temperature: -55 to 150℃ ; (24)TS, Storage temperature: -55 to 150℃ ; (25)TL, Lead temperature (soldering, 10 seconds): 300 ℃ max.
Features
Features: (1)Critical conduction mode boost type PFC; (2)No PFC current sense resistor required; (3)Programmable preheat frequency; (4)Programmable preheat time; (5)Programmable run frequency; (6)Programmable over-current protection; (7)Programmable end-of-life protection; (8)Programmable dead time; (9)Internal ignition ramp; (10)Internal fault counter; (11)DC bus under-voltage reset; (12)Shutdown pin with hysteresis; (13)Internal 15.6V zener clamp diode on Vcc; (14)Micropower startup (150uA); (15)Latch immunity and ESD protection; (16)Parts also available LEAD-FREE.
Diagrams

| Image | Part No | Mfg | Description | ![]() |
Pricing (USD) |
Quantity | ||||||||||||
|---|---|---|---|---|---|---|---|---|---|---|---|---|---|---|---|---|---|---|
![]() |
![]() IR2166SPBF |
![]() International Rectifier |
![]() Power Driver ICs |
![]() Data Sheet |
![]()
|
|
||||||||||||
| Image | Part No | Mfg | Description | ![]() |
Pricing (USD) |
Quantity | ||||||||||||
![]() |
![]() IR2101 |
![]() |
![]() IC DRIVER HIGH/LOW SIDE 8-DIP |
![]() Data Sheet |
![]() Negotiable |
|
||||||||||||
![]() |
![]() IR2101(S) |
![]() Other |
![]() |
![]() Data Sheet |
![]() Negotiable |
|
||||||||||||
![]() |
![]() IR21014 |
![]() International Rectifier |
![]() IC DRIVER HIGH/LOW SIDE 14-DIP |
![]() Data Sheet |
![]() Negotiable |
|
||||||||||||
![]() |
![]() IR21014S |
![]() International Rectifier |
![]() IC DRIVER HIGH/LOW SIDE 14-SOIC |
![]() Data Sheet |
![]() Negotiable |
|
||||||||||||
![]() |
![]() IR2101PBF |
![]() International Rectifier |
![]() Power Driver ICs |
![]() Data Sheet |
![]()
|
|
||||||||||||
![]() |
![]() IR2101S |
![]() |
![]() IC DRIVER HIGH/LOW SIDE 8-SOIC |
![]() Data Sheet |
![]() Negotiable |
|
||||||||||||
(China (Mainland))












