Product Summary
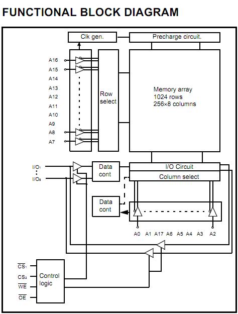
The K6T2008U2A-YF70000 is a 256K×8 bit Low Power and Low Voltage CMOS Static RAM. The device is fabricated by SAMSUNG’s advanced CMOS process technology. The K6T2008U2A-YF70000 supports various operating temperature ranges and have various package types for user flexibility of system design. The K6T2008U2A-YF70000 also supports low data retention voltage for battery back-up operation with low data retention current.
Parametrics
K6T2008U2A-YF70000 absolute maximum ratings: (1)Voltage on any pin relative to Vss, VIN,VOUT: -0.5 to VCC+0.5 V; (2)Voltage on Vcc supply relative to Vss, VCC: -0.3 to 4.6 V; (3)Power Dissipation, PD: 1.0 W; (4)Storage temperature, TSTG: -65 to 150℃; (5)Operating Temperature, TA: 0 to 70℃.
Features
K6T2008U2A-YF70000 features: (1)Process Technology: TFT; (2)Organization: 256K×8; (3)Power Supply Voltage: 2.7V~3.3V; (4)Low Data Retention Voltage: 2V(Min); (5)Three State Outputs; (6)Package Type: 32-TSOP1-0820F, 32-TSOP1-0813.4F 48-FBGA-6.00x7.00.
Diagrams

(China (Mainland))






