Product Summary
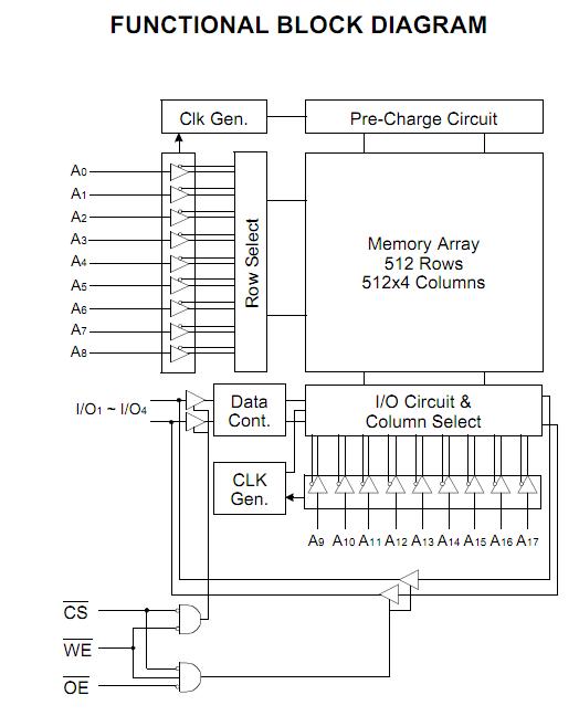
The K6R1004V1C-JC15000 is a 1,048,576-bit high-speed Static Random Access Memory organized as 262,144 words by 4 bits. The K6R1004V1C-JC15000 uses 4 common input and output lines and has an output enable pin which operates faster than address access time at read cycle. The device is fabricated using SAMSUNG’s advanced CMOS process and designed for high-speed circuit technology. It is particularly well suited for use in high-density high-speed system applications. The K6R1004V1C-JC15000 is packaged in a 400 mil 32-pin plastic SOJ.
Parametrics
K6R1004V1C-JC15000 absolute maximum ratings: (1)Voltage on Any Pin Relative to VSS, VIN, VOUT: -0.5 to 4.6 V; (2)Voltage on VCC Supply Relative to VSS, VCC: -0.5 to 4.6 V; (3)Power Dissipation, Pd: 1 W; (4)Storage Temperature, TSTG: -65 to 150℃; (5)Operating Temperature, TA: 0 to 70℃.
Features
K6R1004V1C-JC15000 features: (1)Fast Access Time 10,12,15,20ns(Max.); (2)Low Power Dissipation; (3)Single 3.3±0.3V Power Supply; (4)TTL Compatible Inputs and Outputs; (5)Fully Static Operation; (6)Three State Outputs; (7)2V Mimimum Data Retention; L-ver. Only; (8)Center Power/Ground Pin Configuration; (9)Standard Pin Configuration.
Diagrams

![]() |
![]() K6R1004C1C-C |
![]() Other |
![]() |
![]() Data Sheet |
![]() Negotiable |
|
||||
![]() |
![]() K6R1004C1C-I |
![]() Other |
![]() |
![]() Data Sheet |
![]() Negotiable |
|
||||
![]() |
![]() K6R1004C1C-L |
![]() Other |
![]() |
![]() Data Sheet |
![]() Negotiable |
|
||||
![]() |
![]() K6R1004C1C-P |
![]() Other |
![]() |
![]() Data Sheet |
![]() Negotiable |
|
||||
![]() |
![]() K6R1004C1D |
![]() Other |
![]() |
![]() Data Sheet |
![]() Negotiable |
|
||||
![]() |
![]() K6R1004V1C-C |
![]() Other |
![]() |
![]() Data Sheet |
![]() Negotiable |
|
||||
(China (Mainland))








